Фильтры очистки сжатого воздуха
Для чего нужна фильтрация сжатого воздуха?
Подаваемый компрессором в Вашу систему воздух, может содержать такие нежелательные примеси, как химические и механические загрязнители, мелкие частицы пыли, не улавливаемые фильтрами компрессора, а также фракции масла и влагу. Плохое качество сжатого воздуха оказывает негативное влияние на работоспособность оборудования и свойства конечного продукта.
В любой сети распределения сжатого воздуха необходима установка одного или более фильтров. С их помощью достигается более высокое качество воздуха, что благотворно влияет на эффективность всей системы, включая осушители, ресиверы и пневматическое оборудование.
Как подобрать систему фильтрации?
Требования для качества сжатого воздуха подробно описано в стандартах ГОСТ 17433-80 и ISO 8573-1:2010.
Необходимо ознакомится с технической документацией оборудования, потребителя сжатого воздуха и в соответствии с требованиями подобрать необходимую систему фильтрации. Магистральные фильтры по своему назначению подразделяются на фильтры: грубой очистки, тонкой очистки, очистки от масляных паров, обеспечивающих степень фильтрации по частицам от 5 до 0,01 мкм, по маслу от 5 до 0,003 мг\м3.
Системы очистки конденсата
Масловлагосепараторы серии предназначены для очищения конденсата от масла для его последующей утилизации.
Масловлагоразделители серии предназначены для очищения конденсата от масляных примесей перед сбросом в канализацию. Двухступенчатая система фильтрация конденсата с использованием угольного фильтра позволяет на выходе получить воду с содержанием масла менее 10 мг/л. Такая вода может сбрасываться непосредственно в канализацию. Предварительный фильтр из тканых пластиковых волокон фильтрует крупные капли масла, разгружая этим фильтр из активированного угля, увеличивая срок его службы. Допустима подача конденсата под давлением и без избыточного давления. Масловлагоразделитель имеет несколько штуцеров для подвода конденсата, и контрольный кран для отбора конденсата на проверку.
Для подбора системы фильтрации и систем очистки конденсата просьба обращаться к нашим менеджерам.
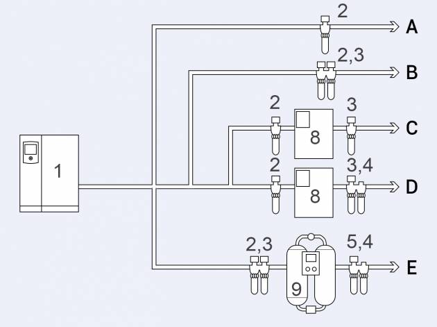
Типовые установки
A. Общая защита (чистота воздуха по ISO 8573-1: фильтр G, класс 2:-:3 и фильтр P, класс 4:-:3)
B. Общая защита и сниженная концентрация масла (чистота воздуха по ISO 8573-1: класс 1:-:2)
C. Общая защита с пониженной точкой росы (чистота воздуха по ISO 8573-1: класс 1:4:2)
D. Общая защита с пониженной точкой росы и концентрацией масла (чистота воздуха по ISO 8573-1: класс 1:4:1)
E. Высокое качество воздуха с крайне низкой точкой росы (чистота воздуха по ISO 8573-1: класс 2:2:1)
F. Высокое качество воздуха с крайне низкой точкой росы (чистота воздуха по ISO 8573-1: класс 1:2:1)
Обозначения
- Компрессор с концевым охладителем
- Фильтр G
- Фильтр C
- Фильтр V
- Фильтр S
- Фильтр D
- Фильтр P
- Рефрижераторный осушитель
- Осушитель адсорбционного типа

